一、概述
現在為了充分利用凝水回收時的水流,在管 道中加裝一個帶葉輪的水泵(與永磁同步電 機同軸),通過凝水流動產生對葉輪產生的 阻力使得永磁同步電機發電。
河南新鄉心連心化肥廠有一個如圖所示的系統,靠疏水器后的余壓(為滿足輸送過程和終端利用所需壓力的多余部分過高壓力能)輸送凝水的方式,通常稱為余壓回水。余壓回水設備簡單,是應用最為普遍的一種凝水方式。
現在為了充分利用凝水回收時的水流,在管 道中加裝一個帶葉輪的水泵(與永磁同步電 機同軸),通過凝水流動產生對葉輪產生的 阻力使得永磁同步電機發電。
二、方案內容
1、工作原理
電樞反應:電機帶上負載后,電樞磁動勢的基波在氣隙中使氣隙磁 通的大小的位置均發生變化,這種影響稱為電樞反應。 電樞反應的性質,取決于空載電動勢E0和電樞電流I的夾角ψ有關。 電樞反應是同步電機在負載運行時的重要物理現象,不僅是引起端 電壓變化的主要原因,而且也是電機實現機-電能量轉換的樞紐。
電機工作在電動狀態時,定子繞組上的電流從變頻器流向電機。電機 工作在發電狀態時,定子繞組上的電流由電機流向變頻器。變頻器通 過控制硬件和軟件實現對電機狀態量的控制,比如電動狀態時的電機 轉速和轉矩輸出等,比如發電狀態時的電機側電壓電流等。
電磁力矩:發電機在原動機帶動下電樞繞組切割磁力線感應電勢,發出電流。當電流流過電樞繞組產生的磁場作用于轉子,轉子會受磁場的作用產生電磁力,而形成電磁轉矩,這個轉矩與原動機轉矩方向相反大小與輸出電流成正比,原發動機轉矩克服電磁轉矩使發電機保持恒速旋轉,這就能把機械能轉換為電能輸送出去
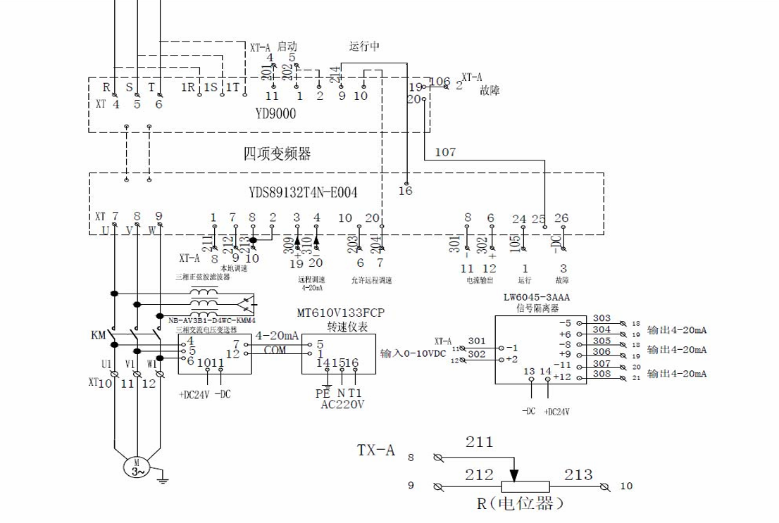
2、電氣接線圖
3、變頻器規格
電機額定電流為194A,電機轉速750轉,額定扭矩1680NM, 額定功率132KW。配電房和水塔電機之間的線纜超過150m。 根據電機的型號,我司選擇了額定電流250A的132KW四象 限變頻器。 為了減少輸出電纜上和電機中的脈沖電流,延長電機壽 命,在變頻器與電機之間使用更長的電纜連線,所以我 司選擇在變頻器和電機之間加裝正弦波濾波器。
濾波器接法
注意:電容不能直接接在變頻器輸出側
4、調試步驟
在不帶濾波器且電機軸上沒有負載的情況下,按照電機參數進行 自學習。Dr30:2倍相電阻,Dr31,Dr64:2倍相電感。
加裝濾波器以后需要向變頻器主板下載濾波器參數 輸入參數參數均為相電感和相電阻
修改相應參數使濾波器參數生效
實際使用中可以實現本地和遠程的切換使用
模擬量輸入1通道接本地電位器,模擬量輸入2通道接遠程4-20mA。 通過端子I1和公共端閉合來實現通道1和通道2的切換。
5.現場運行情況
發電過程中變頻器有效功率為負值,濾波器線圈部 分流過電流大,發熱量大,因現場并柜無法在左右 兩側加裝對流風扇,只能在柜頂加裝風扇散熱。 柜內溫度30度左右,線圈部分70度左右屬于正常情況。

總結
理想狀態下(水塔高10m,水流量每小時4000立方至5000立方),根據 掛在進線電源的前端的電度表顯示,四象限變頻器機組每小時向電網 輸送電力在80-90KW左右,(變頻器在滿載情況下本身損耗不超過3%) 80kW/時,相當于80度電。算1.0塊/度,就是賺80塊/時。 一天運行24小時,相當于2000塊/天。一年300天工作天,即60萬/年。


